
Achtung! Derzeit ist dieses Projekt unsupported, da die Beteiligten mit anderen Dingen überlastet sind. Sobald sich wieder jemand findet, der bereit ist den Support zu machen, geht es hier weiter (z.B. mit dem Nachfolgeprojekt SERPROG).
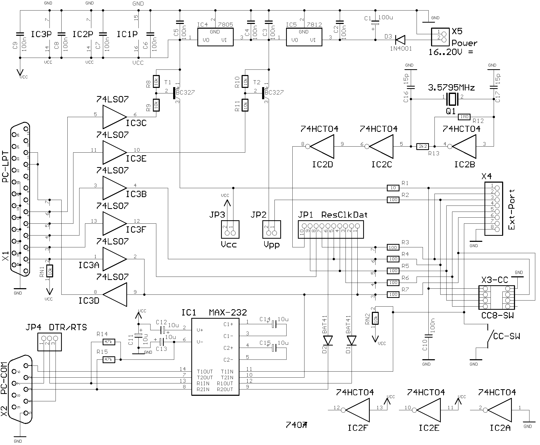
Willkommen auf einer weiteren Chaos-Bastelseite. In der Datenschleuder #61 gab es einen Bastelplan für ein kleines feines Gerät zur Programmierung von fast allem was viereckig ist und goldene Kontakte hat. Hier sind die notwendigen Dateien für das Platinenlayout:
Um die Vielfalt der Anwendungen abzudecken, sind verschiedene Prgoramme nötig. Untenstehend erst einmal eine Liste der Programme zum Download, meistens sagen die Namen schon, wofür sie gedacht sind.
Die Bauteilliste haben wir der Einfacheit halber mit Conrad-Bestellnummern gemacht (jaja, ich weiß daß Conrad schlecht und teuer ist, aber im Notfall bekommt man da die Sachen, also meckert nicht).
1x 16 70 96 -44 MAX232 4.95 1x 16 88 74 -44 74LS07 1.85 1X 16 41 94 -44 74HC04 0.95 2x 18 96 18 -44 14pol. P-Sockel 0.75 1x 18 96 26 -44 16pol. P-Sockel 0.85 1x 18 20 44 -44 Q= 3.579545MHz 1.95 1x 17 92 05 -44 7805 1.75 1x 17 92 30 -44 7812 1.75 2x 15 58 10 -44 T= BC327 0.30 1x 16 22 13 -44 D= 1N4001 0.15 2x 15 30 36 -44 D= BAT41 0.65 1x 40 00 17 -44 R= 10 0.20 6x 40 01 30 -44 R= 100 0.20 1x 40 02 97 -44 R= 2k2 0.20 4x 40 03 78 -44 R= 10k 0.20 2x 40 04 40 -44 R= 39k 0.20 1x 40 06 10 -44 R= 1M0 0.20 2x 41 43 10 -44 RN= 8*10k 0.55 2x 45 71 40 -44 C= 15p 0.20 1x 45 24 40 -44 C= 100n SMD 0.35 8x 45 30 99 -44 C= 100n 0.45 5x 48 17 26 -44 C= 10uF/16V 1.20 1x 47 31 11 -44 C= 100uF/25V 0.40 1x 73 79 92 -44 Printbuchse 1.90 1x 74 11 83 -44 D-Sub Stiftleiste 1.80 1x 74 13 45 -44 D-Sub Buchseleiste 1.50 1x 73 24 78 -44 Stiftleiste 1.25 1x 73 05 13 -44 ChipKartenKontakte 12.95 1x 74 29 02 -44 Jumper 1.65 4x Drahtbruecken
Die Jumper-Settings für die verschiedenen Kartentypen hier noch mal wegen der Vollständigkeit:
Vcc Vpp ResClkDat Port Type -------------------------------------- ## .. ##..##..## Ser Proz. Card .. ## .##....... Par PiC Prog .. .. .##....... Par Mem. Card ## .. ...##..##. Ser Batt. CardEine Doku zu CARDEM gibt es auch.
Bis auf den PIC benötigen alle Programmiereinstellungen die serielle Schnittstelle, wegen einigen Timing-Problemen wird für den PIC die Parallele genommen.